
|
特点: 1、结构简单,外形尺寸小,结构长度短,体积小,重量轻,制造方便。 2、低压下,可以实现良好的密封。 3、任何位置安装,维修方便。 4、调节性能好。 5、操作灵活省力,可选择手动、蜗轮、电动、气动、液控等方式。 6、全开时阀座通道有效流通面积较大,流体阻力较小。 |
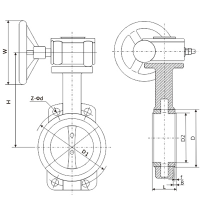
设计规范: 设计标准 :API 609、GB/T 12238 结构长度 :API 609、GB/T 12221、ASME B16.10 连接标准 :ASME B16.5、GB/T 9113 压力试验 :API 598、GB/T 13927、JB/T 9092 压力-温度等级 :ASME B16.34 、GB/T 12224 性能参数: 主体材质 :铸铁、球铁、碳钢、不锈钢 公称通径 :NPS 2"~NPS 48" DN50~DN1200 压力范围 :CL150 PN10~PN16 工作温度 :-10℃~+80℃ 应用范围 :适用于发生炉、煤气、天然气、液化石油气、城市煤气、冷热空气、化工冶炼和发电环保等工程系统中输送各种腐蚀性、非腐蚀性流体介质的管道上,用于调节和截断介质的流动。 |